你好,欢迎访问轴帮网,专业的轴承型号搜索平台~
{{yzm_txt}}
取 消 确 定
搜索

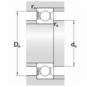
示意图

产品图

6215-RZ

62-RZ系列单列深沟球轴承

相关参数

d

75 mm

D

130 mm

H

25 mm

rmin

1.5 mm

Cr

60.8 KN

基本额定动载荷

Cor

45.4 KN

基本额定静载荷

nG

4800 1/min

极限转速(脂润滑)

nG

5600 1/min

极限转速(油润滑)

da min

83 mm

Da max

122 mm

ra max

1.5 mm

m

1.2 KG

重量

型号对照

HRB

6215-RZ

老代号

160215K

NSK

6215V

NTN

6215LB

Nachi

6215NKE

KOYO

6215RU

下载中心

型号推荐:

6224-RZ
6222-RZ
6221-RZ
6220-RZ
6219-RZ